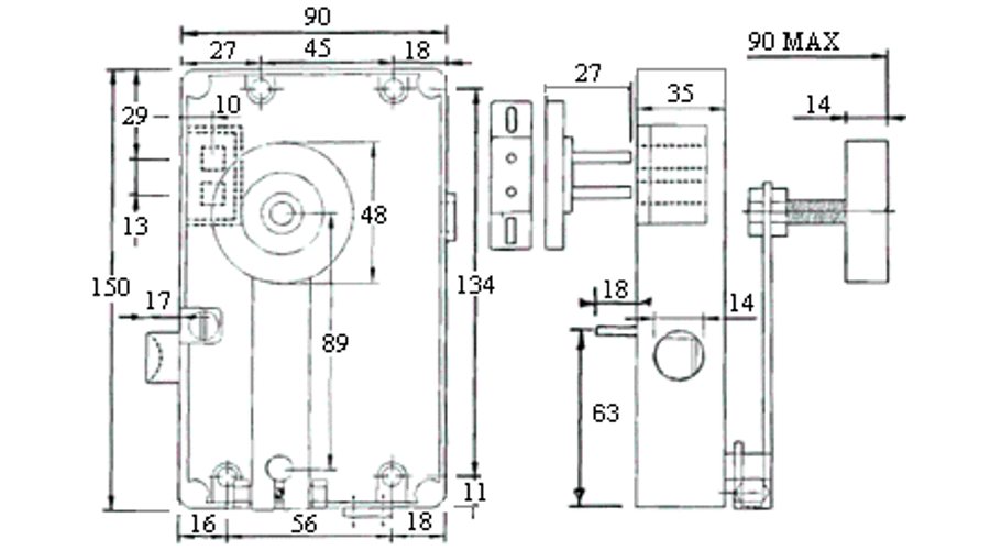
AK biztonsági zár 28 mm-es görgővel
- Cikkszám: D530010/28
-
Elérhetőség:
Utolsó 3 db raktáron
-
AK típusú Biztonsági zár félautomata aknaajtóhoz, nyitógörgő: 28 mm
Termékfülek
Leírás és Paraméterek
AK típusú Biztonsági zár félautomata aknaajtóhoz, nyitógörgő: 28 mm
régi Schindler zár helyére szinte egy az egyben felszerelhető, de sajnos nincs belőle jobbos/balos kivitel
(a csap helye, a kar helye, a kényszernyitó helye megegyezik!)
en 81-20/50 tanúsítvánnyal NEM, csak EN 81-1/2 tanúsítvánnyal rendelkezik!