Feszítősúly d=250 mm, 22 kg
- Cikkszám: D240342
-
Elérhetőség:
Utolsó 2 db raktáron
-
Gyártó:
PFB s.r.l.
-
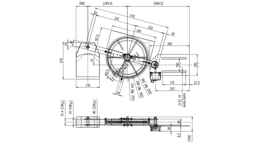
Feszítősúly LK sebességhatárolókhoz
D = 250 mm
tömeg: 22 kg
Elsősorban LK250 sebességhatárolóhoz ajánljuk.
Termékfülek
Leírás és Paraméterek
Feszítősúly LK sebességhatárolókhoz
D = 250 mm
tömeg: 22 kg
érintkezővel
le/fel irányú működéssel
kötél átmérő: 6-8 mm
anyag: öntöttvas súly; acél tartó; polyamid (mûanyag) tárcsa
Bármelyik sínhez rögzíthetõ 2 db. T3 körömmel (kód: D110030)
opció (nem alaptartozék): kötélleugrásgátló, tárcsavédő burkolat