Hidraulikus szemberforgó kötéltárcsa D360 2x2xd9
- Cikkszám: D260580
-
Elérhetőség:
Utolsó 2 db raktáron
-
Gyártó:
PFB s.r.l.
-
Szemberforgó kötéltárcsa D360 2x2xd9 csapágyazással
Ideális hidraulikus felvonókhoz a szimmetrukus emelés érdekében.
Termékfülek
Leírás és Paraméterek
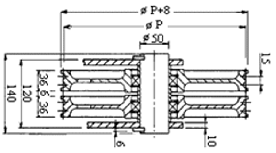
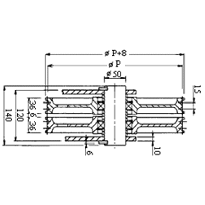
Hidraulikus kötéltárcsa, szembeforgó
(2 tárcsa van egymás mellett 2-2 horonnyal, melyek szembe is képesek egymással forogni, így a fülke 2 oldalon emelhető)
A tengely leszerelhető
tárcsa átmértő: D=360 mm
kötélhorony: 2 x 2 x max. d9 mm
terhelhetőség (P+Q): 1250 kg (vagyis maga a tárcsa ennek a duplájára van méretezve!)
golyós csapágy: 6010-2RS
| Tulajdonság | Érték |
|---|---|
| Kötéltárcsa típusa | Kötéltárcsa hidraulikus felvonóhoz |