R1 sebességhatároló Vt=1,3 m/s, 2 irányú
- Cikkszám: D240010-130
-
Elérhetőség:
Ideiglenes hiány! Érdeklődjön!
-
Gyártó:
PFB s.r.l.
-
R1 sebességhatároló, kétirányú
Termékfülek
Leírás és Paraméterek
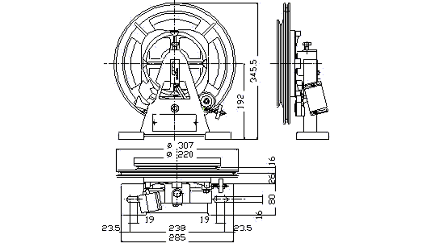
R1 sebességhatároló, kétirányú
D = 300 mm
használható kötelek: d6, d8
próbatárcsával, érintkezővel
Kötélleugrásgátló nélkül, védőburkolat nélkül
Rendelésre egyedi sebességre is, illetve egy irányú kivitelben is.
Csatolt dokumentumok
Hasonló termékek
SEALE sodronykötél d8 S6x19
Rendelésre-szállítás:15 munkanap
Úszókábel 24 x 0,75 mm2
Raktáron, előkészítés 2-3 nap